Tag Peter
Prima danke dir…aber ich habe mich fürs einfachere Entschieden…
eine 2xpolige Schraubklemme be der muss ich nur den Beinchen Abstand verändern
dann kann ich mir jede Größe Einstellen…
J2 ist das Beinchen.,…
Tag Peter
Prima danke dir…aber ich habe mich fürs einfachere Entschieden…
eine 2xpolige Schraubklemme be der muss ich nur den Beinchen Abstand verändern
dann kann ich mir jede Größe Einstellen…
J2 ist das Beinchen.,…
Guten Abend Peter,
Ich konnte 2 Tage nicht ins Forum Serverprobleme bei euch?
was ich dich mal Fragen wollte…
es ist ein Neues Fritzing rausgekommen…ist es gut? alles Kompatibel untereinander?
muss man was beachten? kann ich die alten Platinen öffnen?
dir einen schönen Abend…
Ps…
habe meinen Mint Rechner neu aufgespielt… und über fritzing das 1.4er und das 1.5er runter geladen muss man die jetzt neu Bezahlen?
Grüße
Hans Werner
Not so I have noticed. I have been online for the last several weeks without any issues.
No, there is a link in the receipt from Fritzing.org (not the paypal or other payment receipt but from Fritzing.org, so you may need to be signed in when you make the donation to get it) that allows you to download new versions for about 1 year I think. 1.0.5 (and soon 1.0.6 although I don’t think it is out yet) should upgrade seamlessly (they always have for me anyway.) You want to run the latest version because there are bug fixes being added to the code which it is good to have.
Peter
via google translate
Nicht, soweit ich weiß. Ich war die letzten Wochen ohne Probleme online.
Nein, in der Quittung von Fritzing.org (nicht in der PayPal- oder anderen Zahlungsquittung, sondern von Fritzing.org; du musst also möglicherweise angemeldet sein, wenn du die Spende tätigst, um sie zu erhalten) befindet sich ein Link, mit dem du, glaube ich, etwa ein Jahr lang neue Versionen herunterladen kannst. 1.0.5 (und bald auch 1.0.6, obwohl ich glaube, dass es noch nicht erschienen ist) sollte nahtlos aktualisiert werden (bei mir war das jedenfalls immer so). Du solltest die neueste Version verwenden, da Fehlerbehebungen im Code vorgenommen werden, die gut sind.
Peter
if you pay 25€, the link is valid for 2 years
Das neue Fritzing (1.0.5) hat die Option nicht mehr, das alte Copper Fill zu nutzen und das neue Copper Fill hat Probleme, welche wohl in 1.0.6 korrigiert werden.
Ich habe beide Installationen gelassen und nutze 1.0.5 im Alltag, habe aber das 1.0.4 für Copper Fill als Alternative.
Tag erstmal Danke für die Schnellen Antworten…
dann warte ich erstmal ab, und Warte auf die Neue 6er Version.
-die 1.04 hat mir soweit gute Dienste Vollbracht…was will ich mehr?
nun mal ne frage wie Binde ich z.b ein Firmen logo auf der platine ein?
kann ich eigene Erstellen oder bin ich auf vorhandene angewiesen?
welches Format benötigt man?
ich will meiner Gewächshaus Bewässerung noch was optisches mitgeben dann sieht sie Noch professioneller aus.,…
vieleicht gibt es ja sowas wie ne Anleitiung das man sich selber Schlau machen kann.
einen schönen Samstag
via google translate
That is fairly easy. From core parts / pcb drag in the image icon like this
then load an image file (jpeg, png, svg your choice)
and it will put it in silkscreen.
Peter
via google translate
Das ist ganz einfach. Ziehen Sie aus den Kernteilen/der Platine das Bildsymbol wie folgt hinein:
Laden Sie dann eine Bilddatei (JPEG, PNG, SVG, je nach Wahl)
und es wird im Siebdruckverfahren gedruckt.
Peter
Guten Abend Peter…
Danke für deine Erklärung
ich war soweit…aber mein Fritzig möchte gerne svg aber keine jpeg,png,…
jedenfalls wurden die nicht angezeigt…
gibt es ein Prog zum erstellen?
ich höre von dem Vormat das erste mal!
Yes, you can use Inkscape to design SVGs
It’s free, available on Linux, MacOS and Windows.
Now on v1.4, so if you are still in version <1.0, then consider upgrading as the DPI changed from 90 to 96
Yes, it’s a somewhat new extension, having been created in the year 2001
Ja, du kannst Inkscape verwenden, um SVGs zu erstellen.
Es ist kostenlos und verfügbar für Linux, macOS und Windows.
Aktuell in Version 1.4 – falls du noch eine Version unter 1.0 verwendest, solltest du ein Upgrade in Betracht ziehen, da sich die DPI von 90 auf 96 geändert hat.
Ja, das ist eine relativ neue Erweiterung, sie wurde im Jahr 2001 erstellt.
irgend was stimmt mit dem Übersetzer Prog nicht! es läst wörter weg und überstezt Falsch…
As in from German to English? I’ll ask ChatGPT to translate for you
@Hans_Werner_Atzenhoe Updated my post in
@Hans_Werner_Atzenhoe Ich habe meinen Beitrag aktualisiert unter:
Ich nutze gerne
um aus PNG Dateien SVG Dateien zu machen, der Converter ist allerdings nur der Anfang. Um ein halbwegs brauchbares Resultat zu bekommen muss man fast immer noch die Pfade in Inkscape verbessern, simplifizieren und/oder schlecht erkannte Pfade in geometrische Formen (Kreise, Ellipsen, Vierecke etc.) umwandeln.
Oftmals hilft es, vorher die Anzahl der Farben im Bild zu reduzieren, dann kann man vorher schon etwas besser abschätzen, wie das Resultat aussieht.
— English abbreviated —
I like to use the above website in order to convert pictures. It is advisable to reduce the colour count before converting. The quality of the paths often needs improving. Inkscape makes this relatively light work.
Tag,
Gerade wieder mal nix los Garten Fertig also Brauche ich Arbeit…
ich wollte mir eine Spannungs Versorgung zusammen bauen mit einigen AZ Teilen…ich habe mal was angehängt…ob es sowas gibt?
hat sich glaube gerade selbst erledigt…habe hier was gefunden von Peter.-..
ansonnsten einen (hoffentlich!) ruhigen sonnigen Sammstag!.
Moin Peter kleines Problem,
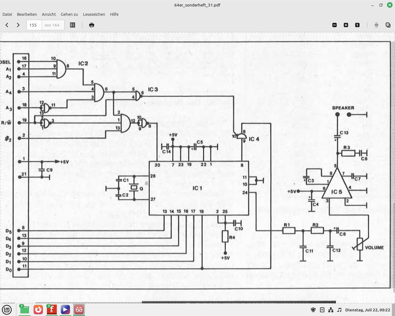
in den 85ern hatte ich noch nen C64 , dafür gab es von Conrad Elektronik ein Bauprojekt mit dem Namen Creatives Computerlabor ein kleines Rack mit einschüben mit einem Osziloscope, Relas ,Porterweiterung , AD DA Wandler Temperatur Meßverstärker und auch eine Echte Sprach Erweiterung mit eine Externen Chip darum geht es mir…
Ich benötige einen 28 Pin Sockel für diesen Chip.
da gibt es eine Ansteuer Möglichkeit mit einem Arduino damit hauche ich ihm dann mal wieder Leben ein. Ich baue dieses Creative Computerlabor gerade auf den Arduino um außen ist alles beim Alten nur Intern ist es anderst gerade zu Wenig auf den platinen wie früher entgegen dem C64 was damals für einen Aufwand getrieben wurde im Gegensatz zu heute…
Die Sprach erwiterungs Platine für den C64:
mein Nachbau damals… noch ohne des Computerlabors die wurde von Conrad glaube nicht mehr umgesetzt…
I don’t see the problem, there are 28 pin IC sockets available and Fritzing (with the generic IC) wil create 600mil 28 pin sockets.
Am I missing something?
Peter
via google translate
Ich sehe das Problem nicht. Es gibt 28-polige IC-Sockel, und Fritzing (mit dem generischen IC) erzeugt 600-mil-28-polige Sockel.
Übersehe ich etwas?
Peter
hoppla…da habe ich nicht geschaut hatte mal was gefunden…aber das funktionierte nicht…aber deine möglichkeit ist besser
28ssop-dip-adapter.fzz (15.1 KB)