Hello everyone,
for my next PCB project I’m looking for a vertical USB-C receptacle. USB 2.0 is perfectly sufficient. In Fritzing and via Google search I can only find right-angle USB-C receptacles. Has anyone already made something like this and could make it available to me? Or even create a new part? In my opinion, the Molex type 217182-0001 would be very suitable. Here is the link to the component and the datasheet: 217182-0001 Molex | Mouser Deutschland
Thanks in advance, Ralf
Good morning,
I’ll take a look to see whether there are KiCad files for that.
Regards, Harald!
I downloaded the CAD data here and exported it to KiCad. I extracted the footprint and printed it to an SVG file.
https://www.mouser.de/ProductDetail/Molex/217182-0001?qs=DRkmTr78QATos3F5kgk4kw%3D%3D
But the dimensions do not match the datasheet. I must have done something wrong.
Here is the footprint with the incorrect dimensions.

Regards, Harald!
Hello @Ralf992,
actually, you could use a different USB socket and change the footprint as well as the schematic symbol. I had already read out the footprint. Unfortunately, the dimensions look different from those in the datasheet.
Do you have a way to verify the dimensions using the datasheet and an original part? I’ll try to find a mistake I may have made during the export.
Best regards, Harald!
Hello Harald,
thank you for your support.
Where can I see what you have read out? Where can the dimensions be found? Is there a file? Can I import it into Fritzing? I would like to compare your dimensions with the original part. I am also happy to order the USB sockets.
Hello Ralf,
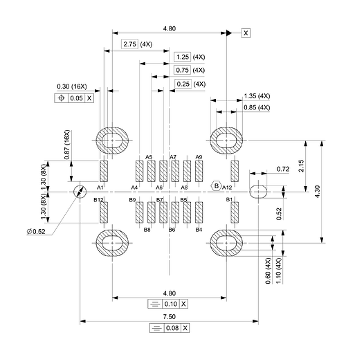
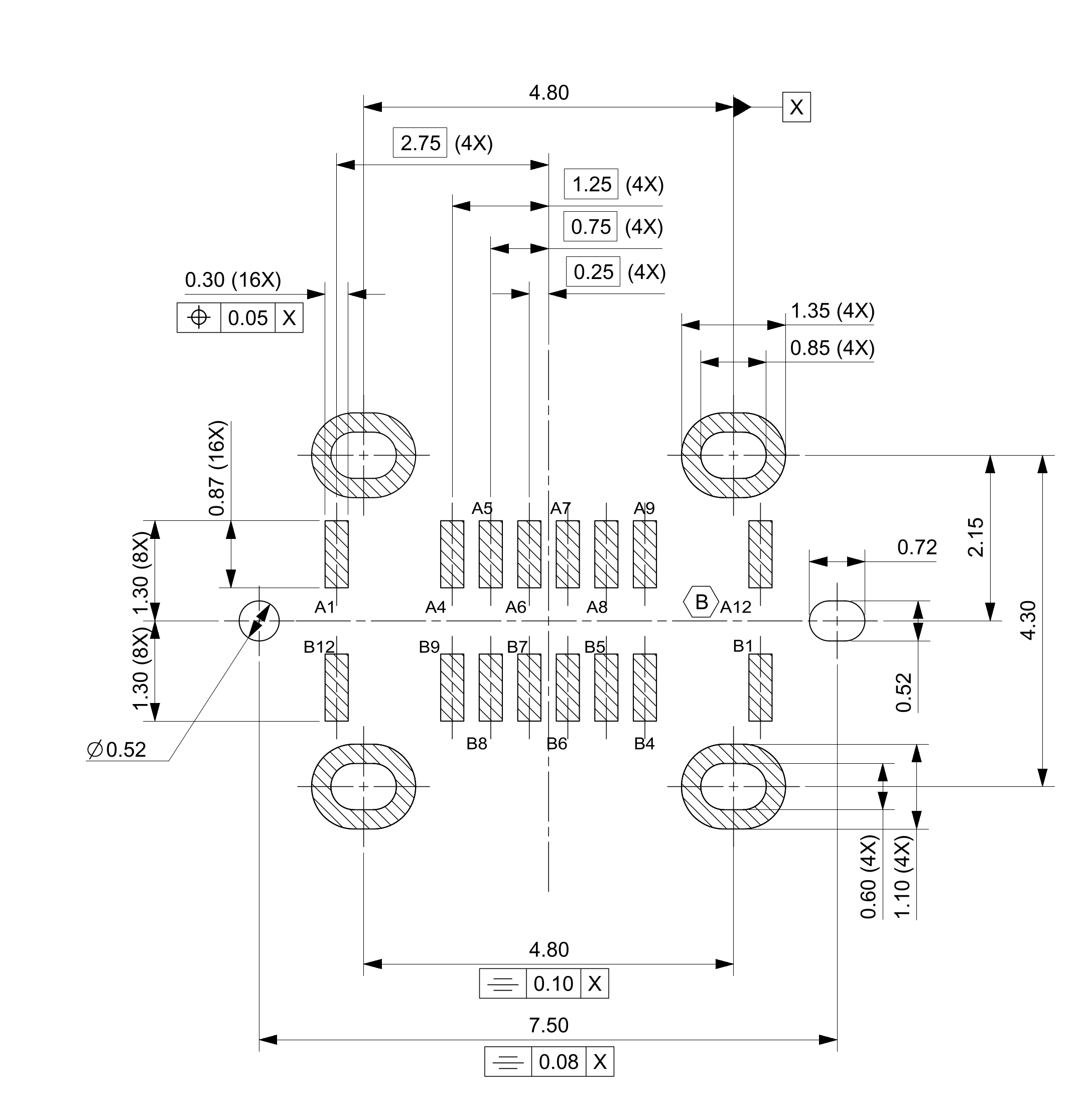
the dimensions are in the datasheet. I’ll upload the dimensioning again here.
You also want to create a PCB with the socket, so that the socket can be soldered onto the PCB afterwards. Because then the values have to be exactly right.
Here are the dimensions from the datasheet:
Important are the distances from center pad to center pad (0.5 mm) and the width of the pads, here 0.3 mm
I have already made some progress with the footprint file, if you could measure the dimensions on an original socket we would be completely sure.
Best regards, Harald!
Hello Ralf,
it’s me again. After a brief search, I found at least three different USB-C footprints. Ours is the most complex of all.
Perhaps it is important that you first decide on a version and then purchase it.
For example, there is a USB variant with only 6 pins and GND. That one is certainly easier to work with.
USB 4140
However, it also has a different PCB layout.
Regards, Harald!
Hello Harald,
the suggested GCT socket is unsuitable, as it is only designed for power transfer / charging purposes. I need a socket with data transfer capability with at least USB 2.0.
No socket has been purchased yet, we are happy to go with a different one.
Here are some links to USB-C sockets that would also work for my application. Perhaps they are better suited for Fritzing:
UJ20-C-V-G-SMT-P8-TR Same Sky | Mouser Germany
USB4960-00-C GCT | Mouser Germany
UJ20-C-V-C-3-SMT-TR Same Sky | Mouser Germany
Hello,
I have already prepared the USB4960-00-C. That one would be fine.
The UJ20-C-V-C-3-SMT-TR has the advantage for you that it has PINs. If that doesn’t matter to you, we’ll stick with the USB4960-00-C.
For reference, here is the datasheet again.
USB4960-00-C
It has the same footprint as the variant you mentioned at the beginning.
Can the breadboard symbol look rather minimalist?
Best regards, Harald!
You’re right, the GCT USB4960-00-C is the same as the Molex one. I’m only comparing it in detail now. The footprint of the GCT USB4960-00-C or the Molex 217182-0001 would still be my favorite. The alternative models were only meant in case it makes things easier for you.
I don’t use the breadboard function. So the symbols are not relevant to me.
Alright, then I’ll try to continue working on the part with this footprint.
I think I can post something here by the weekend.
Regards, Harald!