Motor NIDEC 24H

Dear all,

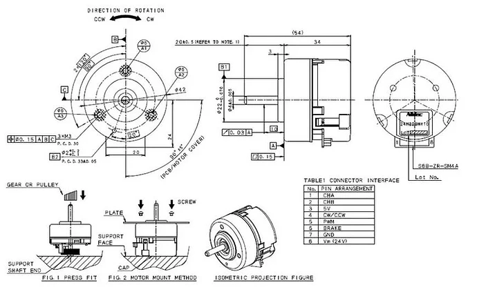
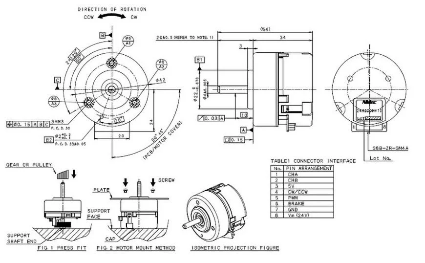
Can someone help me by creating the schematic of the 8-pin NIDEC 24H motor for Fritzing.

Could extending the simple motor in Fritzing be a solution?

I could try that.

  • Breadboard old symbol with additional rigid connectors (without bendable leads)
  • Generate the schematic symbol with Inkscape
  • Use the PCB template from a pin header

Regards, Harald!

Hi harold,

were you ever able to develop the file for this motor. I am currently using or trying to use it in a project and would like to create the circuit.

Thank you, Stamatios

Hello,

I think I’ll manage it over the weekend. I still need to try a lot on my own, since I’m not very confident in creating components and want to make as few mistakes as possible.

The breadboard view could look like this:

Untitled Sketch 2_Steckplatine

Are there specific abbreviations or terms for the terminals?

Is this data OK?

Regards, Harald!

Hello,

Could you please test whether the part works and whether the labeling and the order of the pins are correct? I followed the datasheet.

Motor_NIDEC_24H.fzpz (8,8 KB)

Regards, Harald!

Hello everyone,

I created this motor design as part of my college work, and I’m sharing it here in case anyone is interested.

Nidec 24H.fzpz (13.5 KB)

Good morning,

Many thanks, I think @stamatiosM0304 can make good use of it.

Regards, Harald!