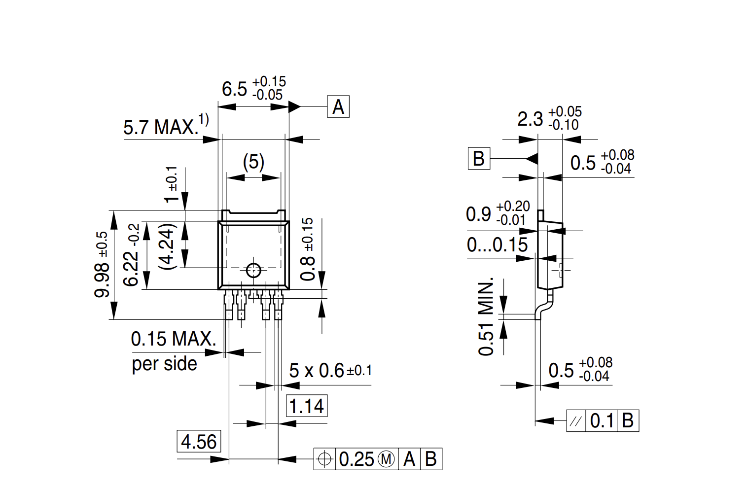
Name of the part: Infineon BTS428L2
**Top view
**
Datasheet:
Footprint
TO-252-5
Type: N Channel MOSFET (Smart High-Side Power Switch)
Has anyone come across a TO-252 5 pin component anywhere?
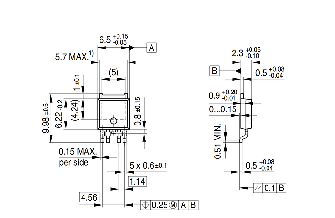
Name of the part: Infineon BTS428L2
**Top view
**
Datasheet:
Footprint
TO-252-5
Type: N Channel MOSFET (Smart High-Side Power Switch)
Has anyone come across a TO-252 5 pin component anywhere?
Moved to Parts Submit.
I managed to create this myself eventually - so for anyone looking, here is my part I created for the Infineon BTS428L2
(Edit: I just realised, I didn’t do a breadboard SVG as I didn’t need it, so bear that in mind)